SMART SOLUTIONS

SMART SOLUTIONS Company, located in Cairo, established at 2009 in the name " SMART SOLUTIONS for embedded and control systems" and working for power systems and electronic activities. At 2021 we are proud to upgrade our business and divide the company into two divisions, one of them for power system technical services and supplies.
The other one for electronic system.
In Smart Solutions, we provide our vast technicality experience through our highly qualified experienced team of professional engineers, technologists, and drafting professionals in various and diversified fields. Also we are proud to announce that we gained ISO9001-2015 certificate and approved from the Egyptian standard association.

We specialize on engineering consulting, design, and analysis.

In Smart Solutions, seriously we are trying to best utilize our technical (academically/ practical) know-how to discover the trouble, analyze its causes, apply the solutions and verify it. This means more saving for efforts, time and money.
Our experts use the following tools:
جارى تحميل البيانات ...
Our experts are familiar with most valuable brands
جارى تحميل البيانات ...
We have a great list of success partners that we proud with
جارى تحميل البيانات ...
Standards and compliance
جارى تحميل البيانات ...

Recent Artiles

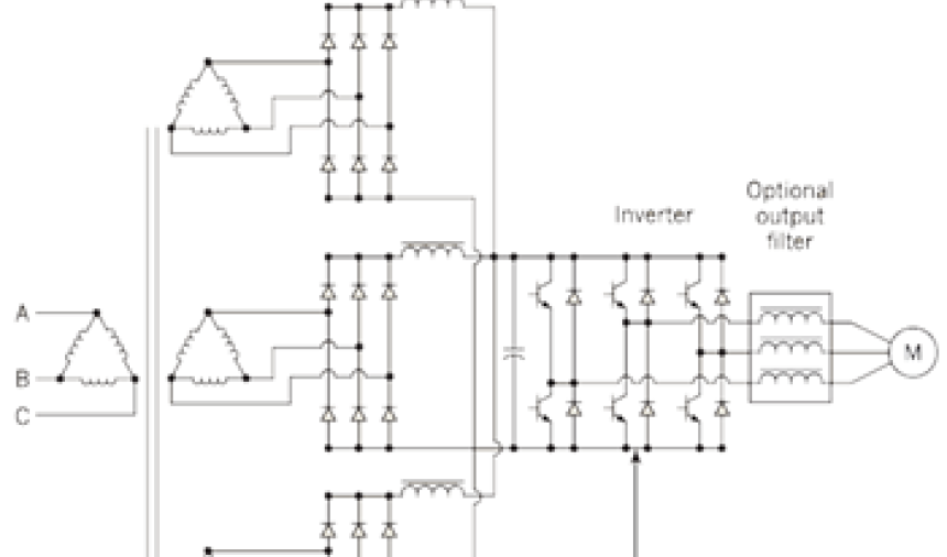
18th pulse transformers
18th pulse transformers

18th pulse transformersThe power transformation theory (Magnetic circuitry) is used in many special applications in order to gain more quality, stability and avoid more cost or more waste. One...

Generator Protection
Generator Protection

Generator protectionAutomatic circuit breaker is the first protection for the diesel generator against overload and short circuit faults; while it can be embedded with other protections for ground fault,...

Electric Power Generation
Electric Power Generation

 All generators send out energy in the form of electrical power, and they have to be given the equivalent mechanical energy. This means that they have to be driven...

Diesel Generators
Diesel Generators

Many electrical engineers are studying diesel generator while neglecting its prime mover, DIESEL ENGINE. While many troubles are met and the cause did not related to the alternator itself....

Transfomers
Transfomers

Transformers are one of the electric machines as it depends on the same basic principles of magnetic fields. And because it has not any movement, it is called stationary...

CONTACTORS UTILISATION CATEGORIES
CONTACTORS UTILISATION CATEGORIES

Contrary to popular belief, Lorem Ipsum is not simply random text. It has roots in a piece of classical Latin literature from 45 BC, making itIn order to qualify...